Красноярск
Ваш город Красноярск?

Ближайший офис:

Красноярск, ул. Маерчака 3, офис 303 Пн-Пт: с 9:00 до 18:00

Корзина

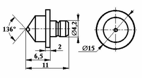
Наконечник алмазный тип НПМ для микротвердомеров ПМТ-3 и ПМТ-5

Госреестр
Описание
Наконечники алмазные в виде четырёхгранной пирамиды с углом 1360 к приборам для измерения микротвёрдости металлов и сплавов по методу Виккерса. Наконечники изготовлены в соответствии с ГОСТ 9377-81 и прошли первичную поверку при выпуске из производства по ГОСТ 8.044-80.
Полное описание
Характеристики
Внесен в госреестрВнесен
Внесен в госреестрДа
Производитель«Восток-7», Россия
Гарантийный срок эксплуатации, месяцев12
Все характеристики
18 900
РРЦ в базовой комплектации
-+Купить
В наличии
Артикул: артикул_01
Цена от 15.10.2025, для уточнения актуальной стоимости просим связаться с менеджером.
Запросить КП
Запросить видеодемонстрацию прибора
  • Обзор
  • Характеристики
  • Отзывы0
«Восток-7», Россия

Технические данные:

Наконечники алмазные:

Материал в оправке:

Алмаз монокристаллический синтетический марки Va

Диапазон каратности:

Маркирован на оправке изделия в соответствии с ГОСТ 9377-81

Геометрические размеры:

По ГОСТ 9377-81, исполнение тип НК 1 / НП 1 / НПМ соответственно

Наконечники шариковые (с твёрдосплавными и стальными шариками):

Тех. характеристики шарика:

· Твёрдосплавного

· стального:

· Карбид вольфрама WC/Co=94/6 max %; Твёрдость не менее 1500 HV10; Плотность 14,8 г/см3; Прочность на изгиб 2600 Мпа; Размер зерна 1,2 мкм

· Закалённая сталь; Твёрдость не менее 850 HV10

Геометрические размеры шариков в соответствии с ГОСТ 3722-81:

· Степень точности 20

· Среднее отклонение от номинального диаметра ±1 мкм

· Шкалы Бринелль (металлы ГОСТ 9012-59) твёрдосплавные O: 1,0 / 2,0 / 2,5 / 5,0 / 10,0 мм

· Шкалы Роквелл (металлы ГОСТ 9013-59) твёрдосплавные O: 1,588 (шкалы B, F, G) и стальные O: 3,175 (шкалы E, H, K) мм

· Шкалы Роквелл (пластмассы ГОСТ 24622-91) стальные O: 3,175 (шкала E) / 6,35 (шкалы L, M) / 12,7 (шкала R) мм

· Шкалы IRHD (резины ГОСТ 20403-75) твёрдосплавные O: 0,395 / 2,5 мм

Гарантийный срок эксплуатации

1 (один) год

Надо внимательно следить за гранями и остриём алмазной пирамиды, т.к. всякое повреждение их нарушит точность измерений. Повреждение граней и острия легко обнаружить при рассматривании отпечатков на мягких материалах: алюминий и др.

Наконечники тип НП и НПМ – в процессе шлифовки алмазных инденторов в точке соединения граней алмаза остаётся линия стыка, которая препятствует достижению идеального заострения. В стандартах ISO и ASTM определяется максимальная длина линии стыка в зависимости от используемой испытательной нагрузки. В соответствии с полученной длиной линии стыка инденторы классифицируются для использования в различных диапазонах испытательной нагрузки.

Линия стыка на инденторе Виккерса.pngТаблица параметров инденторов для определения твёрдости по Виккерсу в зависимости от линии стыка.png


Рекомендуемый порядок установки (замены) индентора в приборах для измерения твёрдости (твердомерах стационарного и переносного типов):

  1. Подготовить индентор и посадочное место шпинделя: протереть бензином и смазать контактные поверхности бескислотным вазелином;
  2. Ослабить винт фиксации индентора к шпинделю;
  3. Извлечь прежний индентор и установить требуемый для испытания, затянуть винт. Важно: установить хвостовик индентора вглубь посадочного места до упора и обжать его, в противном случае при испытании может произойти смещение индентора и его повреждение;
  4. Разместить на предметном (измерительном / опорном) столике прибора эталонную меру микротвёрдости, соответствующую шкале и диапазону измерения;
  5. Обжать индентор: троекратно приложить основную нагрузку для укола индентором в различных местах рабочей поверхности меры микротвёрдости.

Закрутить винт фиксации индентора до упора.
Произвести не менее 5 измерений на эталонной мере микротвёрдости с вычислением среднего значения. Сравнить полученное микротвердомером среднее значение твёрдости со значением твёрдости эталонной меры микротвёрдости. Если полученное микротвердомером среднее значение твёрдости и значение эталонной меры микротвёрдости находятся в пределах допустимой погрешности (погрешность микротвердомера по паспорту изготовителя + погрешность меры микротвёрдости по паспорту изготовителя), то продолжить измерения твёрдости других контролируемых изделий. Если значение твёрдости, измеренное микротвердомером, и значение эталонной меры микротвёрдости выходят за пределы допустимой погрешности - необходимо произвести калибровку микротвердомера согласно инструкции изготовителя.

Комплектация:


Наименование

Кол-во, шт.

Упаковочный футляр

1

Паспорт (по заказу)

1

Индентор твердомера

По заказу

Внесен в госреестрВнесен
Внесен в госреестрДа
Производитель«Восток-7», Россия
Срок службы и гарантийные обязательства
Гарантийный срок эксплуатации, месяцев12

Наконечник алмазный тип НПМ для микротвердомеров ПМТ-3 и ПМТ-5 отзывы

About this product reviews yet. Be the first!

Ультразвуковые дефектоскопы Ручные спектрометры Портативные рентгеновские аппараты Ультразвуковые толщиномеры Твердомеры Толщиномеры покрытий

ВЕЛМАС
Красноярск
Ваш город Красноярск?
Красноярск, ул. Маерчака 3, офис 303
Пн-Пт: с 9:00 до 18:00